
設備簡介
變頻器一臺 、電機一臺 、減速機一臺 、中間繼電器若干 、光電傳感開關 、

圖一、扶梯實圖
應用要求
隨著自動扶梯在商場地鐵等公共場合的不斷應用,自動扶梯應用技術也不斷向更節能、更舒適、性能更好的方向發展。傳統的扶梯應用,不管扶梯上人多人少還是沒有人,扶梯都是以額定速度運行。而一天中經常會出現扶梯上無人的情況,這樣就造成很多的能量損耗,同時一直的額定轉速運行也易使得扶梯各個機械部件不斷磨損,增加扶梯設備的維護工作看,縮短了扶梯的整體使用壽命。
變頻器應用在自動扶梯節能改造時,要求變頻器啟動運行平穩,加速性能好,啟動轉矩大,過載能力強。使用高性能EDS1000系列無速度矢量變頻器能很好的滿足此類自動扶梯的應用要求。易能變頻器自動控制調速扶梯系統,采用多段速控制方式,兩種運行頻率,對應低速和高速。當有乘客站在扶梯上時,變頻器控制扶梯以額定轉速運行,而當無人時,變頻器調節轉速使扶梯以低速運行,達到很好的節能效果。
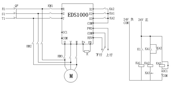
扶梯上下端需要各安裝紅外傳感開關,有乘客經過時,紅外傳感開關被觸發,變頻器加速到額定轉速運行,扶梯高速運行時,變頻器內置計時器開始計時,若在計時的時間段,無人通過經過,計時結束后變頻器自動切換到低速運行。而如果在內置計時器計時期間,有乘客經過,重新觸發紅外傳感開關,計時器復位,重新計時。同時當變頻器控制扶梯下行的時候,需要在變頻器端加裝制動電阻,以消耗多余的能量而不至于使得變頻器母線電壓過高。
變頻器自動扶梯控制系統優點
該方案采用EDS1000變頻器,在開環矢量控制模式下具有低頻啟動扭矩大、響應速度快等特點,在0.5Hz啟動時其輸出轉矩可達150%額定轉矩,完全能夠滿足電梯的工藝要求;
變頻器的軟啟動功能可消除電機啟動時的電流沖擊,使得自動扶梯啟動電流大幅度降低;
變頻器為容性負載,可有效改善電機的功率因數,減少無功損耗;
無客流量時電梯運行速度很低,自動扶梯的機械部件磨損大大降低,設備使用壽命延長,維修費用減少;
變頻拖動系統的啟動、停止及速度轉換過程平穩順暢,舒適感較好。
參數設置
F0.00=01(頻率數字給定)
F0.01=15Hz(低速運行頻率)
F0.02=1(端子控制)
F0.08=5(加速時間)
F0.09=5(減速時間,加減速時間適當調整以達到舒適感)
F2.30=50Hz(額定轉速運行對應頻率)
F5.00=1(X1做高低速切換)
F5.01=36(內部定時器清零復位端X2)
F5.02=37(內部定時器出發端X3)
F5.27=T(定時時間)
接線圖

圖二、電氣接線圖

圖三、工藝圖

圖四、實物圖